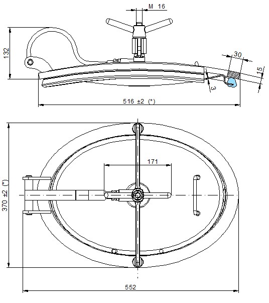
Ovales Mannlochverschluß für Edelstahltanks, Innen-Aussenöffnung
Standardmässig mit EPDM Dichtung G/200/RP und Edelstahl Flügelgriff VI/165.
Dichtung am Deckel nicht geklebt.
Deckel: elektropoliert.
Rahmen: satiniert.
(*) Die angegebenen Maße beziehen sich auf den Referenzdurchmesser von 2500. Öffnung nach links
AISI 304L – 14307 / AISI 316L – 14404 (Alle Teile die nicht mit der Flüssigkeit in Kontakt kommen sind immer aus Material Aisi 304) Entsprechend der Richtlinie PED (max 100°)